Potaknuti interesom za ovu, nedavno puštenu u pogon, vjetroelektranu - koja će svojom proizvodnjom (170 GWh) pokrivati oko 1% potrošnje električne energije (HERA: 18.169 GWh u 2019.) – objavljujemo glavne tehničke podatke vjetroelektrane Korlat koristeći obradu Dražena Lovrića, direktora Službe za poslovni razvoj i akvizicije u Sektoru za strategiju i razvoj HEP-a, „Opis proizvodnih objekata u vlasništvu tvrtke Energetski park Korlat d.o.o.“
Lokacija VE Korlat – oko 5 km jugoistočno od Benkovca i oko 1 km sjeveroistočno od sela Korlat –prikazana je na sljedećoj slici:

VE Korlat predstavlja jednu tehnološku cjelinu koja se sastoji od dvije funkcijske cjeline:
- vjetroelektrane, s internom 33 kV kabelskom mrežom
- transformatorske stanice 30(33)/110 kV, s priključnim uvodom/izvodom DV 110 kV Zadar – Benkovac, oko 4 km.
VE Korlat ima 18 vjetroagregata ukupne instalirane djelatne snage 63 MW (18x3,5 MW), dok je priključna snaga na mrežu ograničena na 58 MW sukladno ishođenim uvjetima priključenja. Parametri vjetroagregata mogu se pogledati na https://www.thewindpower.net/turbine_en_843_nordex_n131-3600.php : vjetroagregati su Nordex N131/3500, nazivna brzina vjetra (brzina za nazivnu djelatnu snagu) je 11,9 m/s, visina stupa do osi vratila je 114 m a promjer rotora 131 m – pa je najviši položaj lopatice 179,5 m.
Načelna shema vjetroagregata prikazana je sljedećoj slici:
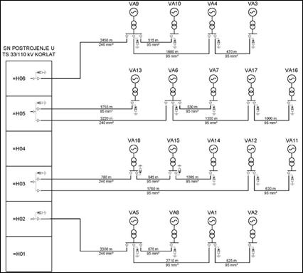
Vjetroagregati su priključeni na TS 33/110 kV podzemnim 33 kV kabelskom mrežom ukupne dužine oko 12 km. Priključak na sabirnice 33 kV izveden je sa šest izvoda koji čine tri jednožilna kabela položena u trokutnom snopu; presjek vodiča 240/16 mm2 i 95/16 mm2. Interna kabelska mreža VE Korlat prikazana je na sljedećoj slici:

Na vanjskom platou smješteno je otvoreno 110 kV postrojenje, s transformatorom 110/33 kV, 63 MVA. Mjesto predaje električne energije u mrežu je obračunsko mjerno mjesto u trafo polju 110 kV.
U pogonskoj zgradi smješteno je RP 33 kV sa sklopnim blokovima u SF6 izvedbi i ostalim pripadajućim dijelovima postrojenja.
TS 30(33)/110 kV Korlat priključena je na prijenosnu mrežu uvodom i izvodom DV 110 kV Zadar-Benkovac, sa dva jednostruka voda dužine nešto manje od 4 km. Izvedeni su, na „jela“ stupovima, visokotemperaturnim vodičima ACCC 192/28 Rovinj i zaštitnim užetom AA/ASC 92/56-10,3 OPGW 48 SMF.
Osnovna jednopolna shema TS 33/110 kV Korlat dana je na sljedećoj slici:
Dio TS 33/110 kV Korlat je u vlasništvu HOPS d.o.o., a dio u vlasništvu Energetski park Korlat d.o.o. Granica vlasništva je obračunsko mjerno mjesto koje je interpolirano u transformatorskom polju 110 kV i služi za predanu energiju, ali i za preuzetu iz mreže: za pokrivanje gubitaka i vlastitu potrošnju za vrijeme kada vjetroelektrana ne proizvodi. Blok shema obračunskog mjernog mjesta prikazana je na sljedećoj slici.
TS Korlat u sustavu je daljinskog upravljanja. Daljinski pristup uređajima za obračunsko mjerenje i mjerenje kvalitete električne energije ugrađene u TS 33/110 kV Korlat omogućen je iz Centra mjerenja koristeći Poslovnu mrežu HEP-a. Shema komunikacija mjerne opreme u TS 33/110 kV Korlat i Centra za mjerenja HOPS-a prikazana je na sljedećoj slici:
Izvođač infrastrukture vjetroelektrane je „Ing-Grad d.o.o.“ a gradnju je vodio i nadzirao „Fractal d.o.o.“
[Z. Ton.]
